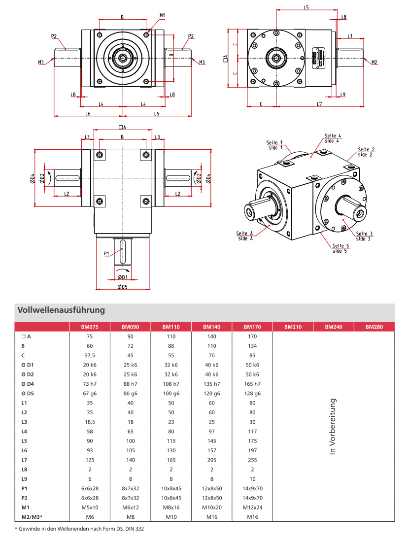
Technische Daten
- Baugröße: | 075 | 090 | 110 | 140 | 170 |(entspricht Kantenlänge des Getriebes)
- Einteiliges Stahl oder Graugussgehäuse mit allseitig identischen Gewindebohrungen
- Übersetzungsbereich: 1
- Max. Verdrehspiel (Standard) ≤ 13 bis ≤ 10 arcmin
- Max. Verdrehspiel (reduziert) ≤ 8 bis ≤ 6 arcmin
- Max. Beschleunigungsmoment von 120 Nm bis 1575 Nm
- Abtriebsseite:
- Ein- oder beidseitig zylindr. Abtriebswelle mit Passfeder
- Hohlwelle mit Passfedernut - Antriebsseitige Optionen:
- Zylindr. Antriebswelle mit Passfeder
- Verstärkte Abtriebslager gegenüber Baureihe BT